开云手机官方版登录入口

雷电流在线监测装置TR-LC20
雷电流在线监测装置TR-LC20 雷电流在线监测装置TR-LC20 雷电流在线监测装置TR-LC20 雷电流在线监测装置TR-LC20 雷电流在线监测装置TR-LC20 雷电流在线监测装置TR-LC20

雷电流在线监测装置TR-LC20

  • 产品介绍
  • 常见问题
  • 资质证书
  • 留言咨询
产品概述
 
TR-LC20提供了先进的实时监测功能,能够精确记录雷击的次数、峰值、极性和发生时间等关键参数,并完整捕捉雷击波形。借助深入的数据分析能力,该装置可以有效预测避雷器的工作状态,并进行准确的性能评估。其预测性维护和故障报警机制确保了对潜在问题的快速响应,从而优化了防雷保护策略,提升了系统的安全保障水平。
应用范围
 
在电力系统中,该装置帮助监控输电线路和变电站的雷击风险;在交通领域,尤其是轨道交通,可以保障信号系统和供电安全,避免因雷击导致的运营中断。在石油和化工行业,通过对雷电流监测来预防由雷击引发的火灾或爆炸事故。
       此外,通信基站、数据中心及时监测雷击情况对维持通信和金融交易的稳定至关重要。对于风力发电场,不论是陆地还是海上,雷电流监测为维护工作提供实时数据。水利设施如水电站和水库也利用此技术来监控可能影响运营的雷电活动。
 
 
       在公共安全方面,政府机关、学校、历史建筑和旅游景点都可以通过安装雷电流在线监测装置来增强防雷能力,从而保护人员和财产安全。总之,无论是在工业应用还是日常生活中,雷电流在线监测装置都是提高安全性和预防雷电危害的重要工具。
功能特点
 
 1、雷电流实时监测:雷击次数、峰值、极性、发生时间和波形
 2、高精度:采用高精度雷电流传感器
 3、触发门槛低:最小可采集50A雷电流信号
 4、无源无线:采用3.7V锂电池搭配太阳能供电,支持4G、LORA通讯
 5、数据记录:可存储60条雷电流波形
 6、超低功耗:静态功耗20mA(3.7V)
性能指标
 
名称 描述
电源 3.7V锂电池+太阳能板/外部供电
功耗 75mW
测量范围 50A~100kA
测量精度 ±10%
通讯方式 RS485、波特率:115200;校验位:N;数据位:8;停止位:1
工作温度 -25℃~+70℃
防护等级 IP67
重量 1.2kg
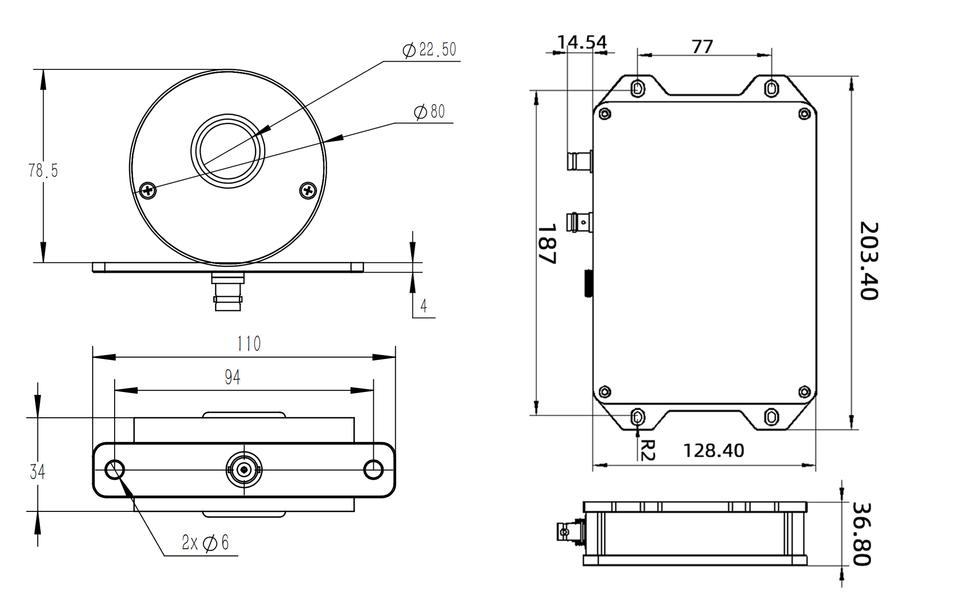
产品尺寸
 
安装示意图
 

湖北天瑞电子股份有限公司的主营产品有:电流互感器、电压互感器、电流变换器、电压变换器、霍尔传感器等,希望可以帮到你。

天瑞公司现有三大业务领域分别是:继电保护与自动化、智能电网、新能源。其中,继保领域主要目标市场为:电量传感器、GPS同步时钟源;智能电网领域主要目标市场为:数显电力仪表、高压电能计量装置;新能源领域主要目标市场为:太阳能和风电转换装置、新能源电池监控装置等。

以满足客户需求为工作焦点,关注产品质量,提倡产品标准化,使经营业绩得到了蓬勃发展。近五年销售收入年均增幅为35%,高出行业增长水平20个百分点。 天瑞公司现有三大业务领域分别是:继电保护与自动化、智能电网、新能源。其中,继保领域主要目标市场为:电量传感器、GPS同步时钟源;智能电网领域主要目标市场为:数显电力仪表、高压电能计量装置;新能源领域主要目标市场为:太阳能和风电转换装置、新能源电池监控装置等。公司自成立之初,就致力做好做精做强电力电子产业,积极承担社会责任,高度重视人才培养,现已成为行业内广受尊重的企业之一。

2006年被推选为中国电器工业协会理事单位 2010年被评定为国家高新技术企业 2013年被中华全国总工会评为“工人先锋号”,被授予湖北省名牌 2014年被中国电子工业协会评为“全国电子信息行业最具社会责任企业”称号 2015年被授予湖北省著名商标2017年被评定为“中国驰名商标”

湖北天瑞电子股份有限公司从1998年在湖北省天门市成立, 有着超过20年的技术开发和生产管理的经验积累。

电流互感器是由闭合的铁心和绕组组成。它的一次绕组匝数很少,串在需要测量的电流的线路中,因此它经常有线路的全部电流流过,二次绕组匝数比较多,串接在测量仪表和保护回路中,电流互感器在工作时,它的二次回路始终是闭合的,因此测量仪表和保护回路串联线圈的阻抗很小,电流互感器的工作状态接近短路。

按照用途不同,电流互感器大致可分为两类 : 测量用电流互感器:在正常工作电流范围内,向测量、计量等装置提供电网的电流信息。 保护用电流互感器:在电网故障状态下,向继电保护等装置提供电网故障电流信息。

剩余电流互感器是漏电保护器的检测元件,它的主要功能是检测通过互感器铁心的主电路的剩余电流(触电、漏电等接地故障电流),并将一次回路的剩余电流变换成二次回路的输出电压。剩余电流互感器是漏电保护器中最关键的部件之一。

电压传感器的原理: 对于交流电压测量,可用电压互感器作为传感元件,即使用一台电压互感器将被测电压降至到可利用的低电压,然后通过相关电路变换成与被测电压成线性关系的直流电压送入到数据采集系统和A/D转换器。 当被测电压为直流电压时,可用分压电阻作为传感元件,并联在被测元件两端的电阻值应足够大(一般应控制在消耗功率小于被测电机额定功率的1/1000以下)),以尽可能地减少该回路电流产生的损耗给测量值造成的影响,对于低压电机,应在10KΩ左右。取该被测电压在电阻上的一部分电压降作为信号,直接送入到数据采集系统和A/D转换器。

电压传感器的作用是自动检测电压,从而使我们能够对设备或系统的电压进行控制和显示,必要时采取过电压、欠电压等自动保护措施。
环境管理体系认证证书-中文
质量管理体系认证证书-中文
职业健康安全管理体系认证证书-中文
CE
IATF16949
REACH
REACH
RoHS
感谢您的留言,我们将尽快与您联系!

联系我们

服务热线:400-086-3003

电话: 5353117

传真:

邮箱:

地址:湖北省天门市经济开发区创业大道8号

天瑞电子微信公众号
天瑞电子微信公众号
感谢您的留言,我们将尽快与您联系!